電氣火災監控設備-HYEF-H
- 產品名稱: 電氣火災監控設備-HYEF-H
- 產品分類: 電氣火災監控設備
- 產品名稱: 和遠智能科技股份有限公司
- 添加時間: 2019-03-30
- 分 享:
- 二 維 碼:

手機購
更方便
作品詳情
詢盤
產品參數
檢測對象:剩余電流、過線電流、溫度
工作電壓:AC220V±15%/50HZ
功耗:≤13W(不含外接設備)
通訊方式:TBUS總線通訊
可選規格:64
報警方式:聲光報警
報警輸出:內置四組可編程外控輸出,觸點容量2A/DC24V或1A/AC220V
備用電池:DC12V/4.5Ah鉛蓄電池×2
顯示方式:中文LCD圖形化點陣方式
傳輸距離:≤1200M(ZR-RVS×1.5MM2)
通訊接口:1路CAN總線。1路RS232可擴展RS485或CAN總線
工作溫度: —10℃--+55℃
相對濕度:10%--93%RH(非凝露)
外形尺寸:320mm×115mm×400mm(長×寬×高)
安裝方式: 壁掛式
適配探測器:HYEF-RT、HYEF-R、HYEF-T2
產品特點:
?最大點位容量64點,適用于小型工程項目監控,調試便捷
?采用報警加速算法,報警速度快,不誤報、不漏報
?兩總線無極性設計,具短路保護功能
?內置大容量數據存儲器,可分類存儲3400條報警、故障等信息
?自帶四組可編程外控輸出,實現手動和自動輸出
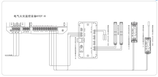
接線方式:
以上是關于電氣火災監控設備-HYEF-H廠家,電氣火災監控設備-HYEF-H價格,電氣火災監控設備-HYEF-H哪家好,電氣火災監控設備-HYEF-H圖片,電氣火災監控設備-HYEF-H型號的詳細介紹
地區作品: 濟南電氣火災監控設備-HYEF-H,煙臺電氣火災監控設備-HYEF-H。
地區作品: 濟南電氣火災監控設備-HYEF-H,煙臺電氣火災監控設備-HYEF-H。




